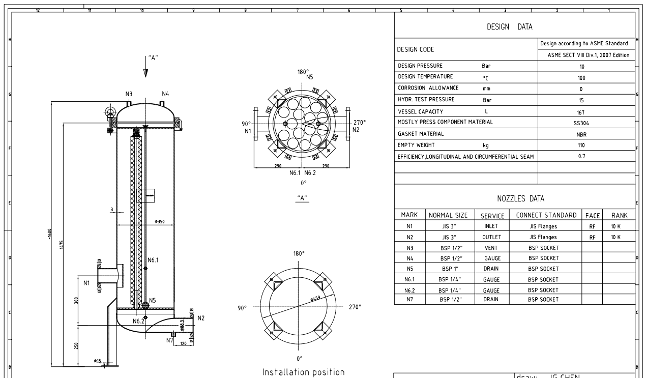
Bình lọc 15 lõi 40 inch inox 304
Chất liệu inox 304 (loại sáng bóng), chịu áp tối đa 10 bar
Chứa 15 lõi lọc dài 40 inch, dạng DOE đầu bằng
Công suất lọc tối đa: 40-50 m3/ giờ
Dùng được với lõi bông nén, sợi quấn, giấy xếp dạng DOE
Đường nước vào ra bên hông, kết nối mặt bích ANSI 3 inch, đk 200mm
Chiều cao bao gồm 4 chân cố định là 1600mm
Housing lõi lọc nước inox được thiết kế với chức năng chính là chứa các lõi lọc nước như lõi lọc xác khuẩn, lọc thô, than hoạt tính. Housing có khả năng chứa đến 15 lõi lọc loại 40 inch, với công suất hoạt động 40 - 50 m3/giờ. Chúng được ứng dụng nhiều cho các hệ thống máy lọc nước công nghiệp công suất lớn dùng trong các ngành thực phẩm, lọc nước..
Ứng dụng: dùng lọc cặn trong nước, lọc hóa chất, thuốc đông dược, ngành nhựa, mật ong hay keo sơn cho nhà máy sản xuất công nghiệp
Đông Châu nhập khẩu và phân phối sản phẩm lọc nước lọc dầu với chính sách giá sỉ toàn quốc các loại bình lọc lõi từ 1 cho đến nhiều lõi 40 inch dạng lõi DOE, Oring 22 hoặc Oring ngàm 226 đầu nhọn
lienhe@dongchau.net, 02862702191
Công ty TNHH Xây Dựng Môi Trường Đông Châu
Vui lòng gọi: 02862702191 - lienhe@dongchau.net









